目标
本实验活动的目标是进一步强化上一个实验活动“ADALM2000实验:使用CD4007阵列构建CMOS逻辑功能”中探讨的CMOS逻辑基本原理,并获取更多使用复杂CMOS门级电路的经验。具体而言,您将了解如何使用CMOS传输门和CMOS反相器来构建D型触发器或锁存器。
背景知识
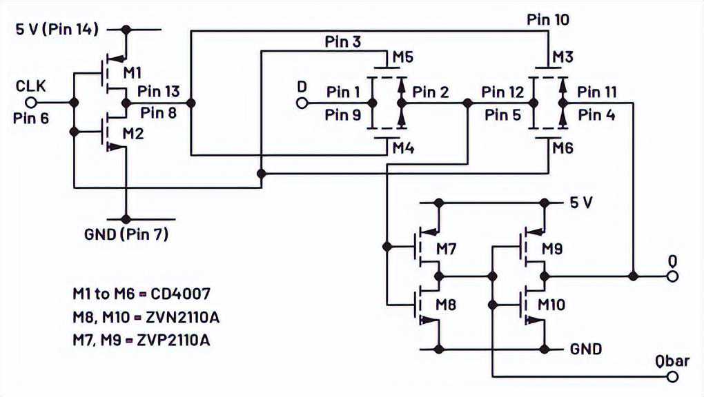
为了在本实验活动中构建逻辑功能,需要使用ADALP2000模拟部件套件中的CD4007CMOS阵列和分立式NMOS和PMOS晶体管(ZVN2110ANMOS和ZVP2110APMOS)。CD4007由3对互补MOSFET组成,如图1所示。每对共用一个共栅(引脚6、3和10)。所有PMOSFET(正电源引脚14)以及NMOSFET(地引脚7)的衬底都共用。左边的互补MOSFET对,NMOS源极引脚连接到NMOS衬底(引脚7),PMOS源极引脚连接到PMOS衬底(引脚14)。另外两对均为通用型。右边的互补MOSFET对,NMOS的漏极引脚连接到PMOS的漏极引脚,即引脚12。

图1.CD4007功能框图。
CD4007是一款多功能IC,我们在上一个实验活动中已有所了解。例如,单个CD4007可用于构建一个反相器链(包括三个反相器)、一个反相器加上两个传输门或其他复杂的逻辑功能,如NAND和NOR门。反相器和传输门尤其适合构建D型锁存器或主/节点触发器。
静电放电
CD4007与许多CMOS集成电路一样,很容易被静电放电损坏。CD4007包括二极管,可防止其受静电放电的影响,但如果操作不当仍可能会损坏。使用对静电敏感的电子产品时,通常会使用防静电垫和腕带。然而,在家里(正规的实验环境之外)工作时,可能没有这些物品。避免静电放电的一种低成本方法是在接触IC之前先使自己接地。在操作CD4007之前,使积聚的静电放电将有助于确保在实验过程中不会损坏芯片。
材料
►ADALM2000主动学习模块
►无焊试验板
►1个CD4007(CMOS阵列)
►2个ZVN2110ANMOS晶体管
►2个ZVP2110APMOS晶体管
说明

图2.D型锁存器。
硬件设置
在实验最初,将两个AWG输出配置直流源。根据需要,示波器通道将用于监控电路的输入和输出。固定5V电源用于为电路供电。在此实验中,应禁用固定–5V电源。

图3.D型锁存器试验板连接。
程序步骤
连接引脚1和9,锁存器的D输入端连接到AWG1的输出端。连接引脚4和11,锁存器的Q输出端连接到示波器通道2。连接引脚6,作为连接到AWG2的CLK。确保打开固定5V电源。
首先,打开AWG控制界面并将AWG2设置为0V直流电压,对CLK施加逻辑低电平。将AWG1设置为5V直流电压,对D输入端施加逻辑高电平。
观察示波器通道2上锁存器的输出端Q。示波器界面上应显示稳定的5V电压。捕获屏幕截图。

图4.Scopy屏幕截图。
将AWG1设置为0V直流电压,对D输入端施加逻辑低电平。观察示波器上的输出。这是锁存器的透明模式。此时应能看到示波器通道2也是0V直流电压。现在将AWG2设置为5V直流电压,对CLK施加逻辑高电平。同时将AWG1设置为5V直流电压,对D输入端施加逻辑高电平。
观察示波器界面上的Q输出。由于D输入端之前为低电平,因此尽管将D更改为逻辑高电平,仍会显示稳定的低电平。捕获屏幕截图。这是电路的保持模式。

图5.Scopy屏幕截图。
现在将两个AWG通道均配置为峰峰值为5V的方波。将AWG1设置为1kHz频率,将AWG2设置为2kHz频率或AWG1频率的两倍。将AWG2的相位设置为0度。确保将AWG设置为同步运行。
观察示波器界面上在上述CLK和D输入下相应的Q输出。捕获各种波形并保存截图,用于包含在实验报告中。

图6.Scopy屏幕截图。
现在将AWG2的相位设置为90度。再次观察示波器界面上在此时CLK和D输入下相应的Q输出。与AWG2相位为0度时相比有何变化?说明原因。捕获各种波形并保存截图,用于包含在实验报告中。

图7.Scopy屏幕截图。
问题
单个D型锁存器将使输入信号延迟1/2时钟周期。说明时钟相位相反的两个串联D型锁存器如何构成主节点D型触发器,可以使输入信号延迟一个完整的时钟周期。
如果还有CD4007阵列可用,可构建主节点D型触发器作为额外的练习。
替代形式
图2所示的D型锁存器使用具有NMOS和PMOS晶体管的互补传输门。单个NMOS或PMOS无法传递具有相同强度(即导通电阻)的高低逻辑电平。单个NMOS器件可以传递强逻辑电平0,但会传递弱逻辑电平1。相反,单个PMOS器件可以传递强逻辑电平1,但会传递弱逻辑电平0。

图8.6晶体管上升沿D型锁存器。

图9.6晶体管下降沿D型锁存器。
硬件设置

图10.6晶体管上升沿D型锁存器试验板连接。

图11.6晶体管下降沿D型锁存器试验板连接。
说明
对试验板进行任何更改之前,确保关闭固定5V电源。在无焊试验板上,将图2中的电路重新配置为图3中的电路。确保打开固定5V电源。重复相同的步骤,将AWG1连接到D输入端,将AWG2连接到CLK输入端。验证锁存器的工作情况,它将在输入时钟的适当边沿锁存逻辑0和逻辑1输入。
最后,将无焊试验板上的电路重新配置为图4中的电路。确保打开固定5V电源。重复相同的步骤,将AWG1连接到D输入端,将AWG2连接到CLK输入端。验证锁存器的工作情况,它将在输入时钟的适当边沿锁存逻辑0和逻辑1输入。
替代元件选择
使用四个独立NMOS和PMOS晶体管(ZVN2110A和ZVP2110A)构建的反相器对也可以由第二个CD4007IC构成,也可以使用例如74HC04或CD4049等六反相器IC的CMOS反相器。